2-Weg Kompaktlautsprecher
Bestückung: 20cm RCF Bass-Mitteltöner L8S800 (Hobby Hifi Test) mit Kohlefasermembran, Gradient Magnetostat (Hobby Hifi Test)
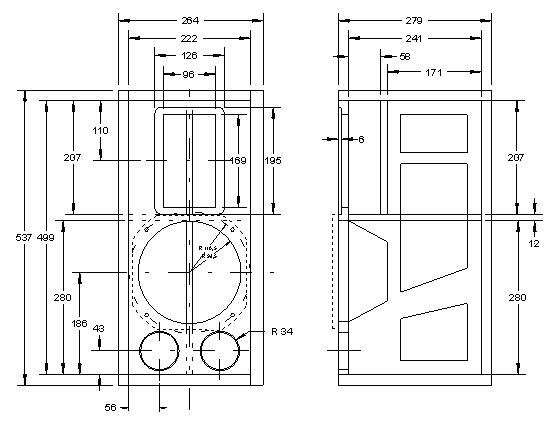
Gehäuse: Bassreflexgehäuse mit 21l Netto.
Technische Daten: 
Wirkungsgrad: ca. 90dB/W/m 
Frequenzbereich: 50-18.000Hz
Impedanz: 8 Ohm
Belastbarkeit: 150W 

Das Ziel
Musik mit angemessener Dynamik wiederzugeben war ein Ziel bei der Entwicklung der Akzent. Dabei sollte die Verfärbungsfreiheit aber nicht geopfert werden. Drittes Kriterium: Der Preis sollte im vernünftigen Rahmen bleiben.
Die Lösung
Chassis mit
Ein Hochtöner war schnell gefunden: Der GRT
Ein Horn erwirkt nicht nur einen höheren Wirkungsgrad, sondern auch ein 
gleichmäßigeres Abstrahlverhalten - ein funktionierendes Horn wie beim GRT
 
Korrekte Abstrahlung ist der beste Weg zu einer stabilen räumlichen Abbildung des Musikgeschehens.
Der Klang
Kurz und knapp: Unspektakulär. Eine Box die weder im Tiefton- noch im Hochtonbereich übertreibt. Sie spielt jede Art von Musik ausgewogen. Stundenlanges, fesselndes Musikhören ist ihr Metier. Leichtfüßig gibt sie alle Details wieder.
Das Gehäuse
Entgegen dem üblichen Trend präsentiert sich die Akzent nicht als schmale Standbox, sondern als Box, die einen Lautsprecherständer unter sich haben möchte. Die Entscheidung für diese Form des Gehäuses:
Wem eine Standbox besser gefällt, der kann die Akzent natürlich auch als Standbox bauen. Es bliebe dann der untere Teil ungenutzt und kann z.B. zur Aufnahme der Frequenzweiche verwendet werden. Zu beachten ist nur, dass die Schallwandbreite nicht geändert wird und das Innenvolumen gleich bleibt.

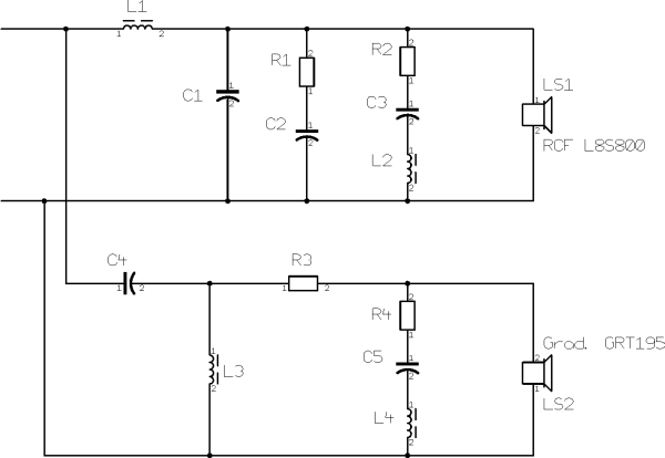
Die Frequenzweiche:
Eine klassische Weiche mit 12dB/Oktave Filtersteilheit. Trennung bei ca. 2000Hz

| Seitenanfang  | 
Letzte Aktualisierung 13.11.2006
Durch Dieter Achenbach